| Product | Package | size(LxWxHmm) | Data Transfer Rate (Mbps) | Supply Voltage(V) | tPHL(ns) | tPLH(ns) | IFT (mA) | CTR(%) | CMR(V/us) | Io(mA) | Topr (Min) (degC) | Topr (Max) (degC) | Viso (Vrms) |
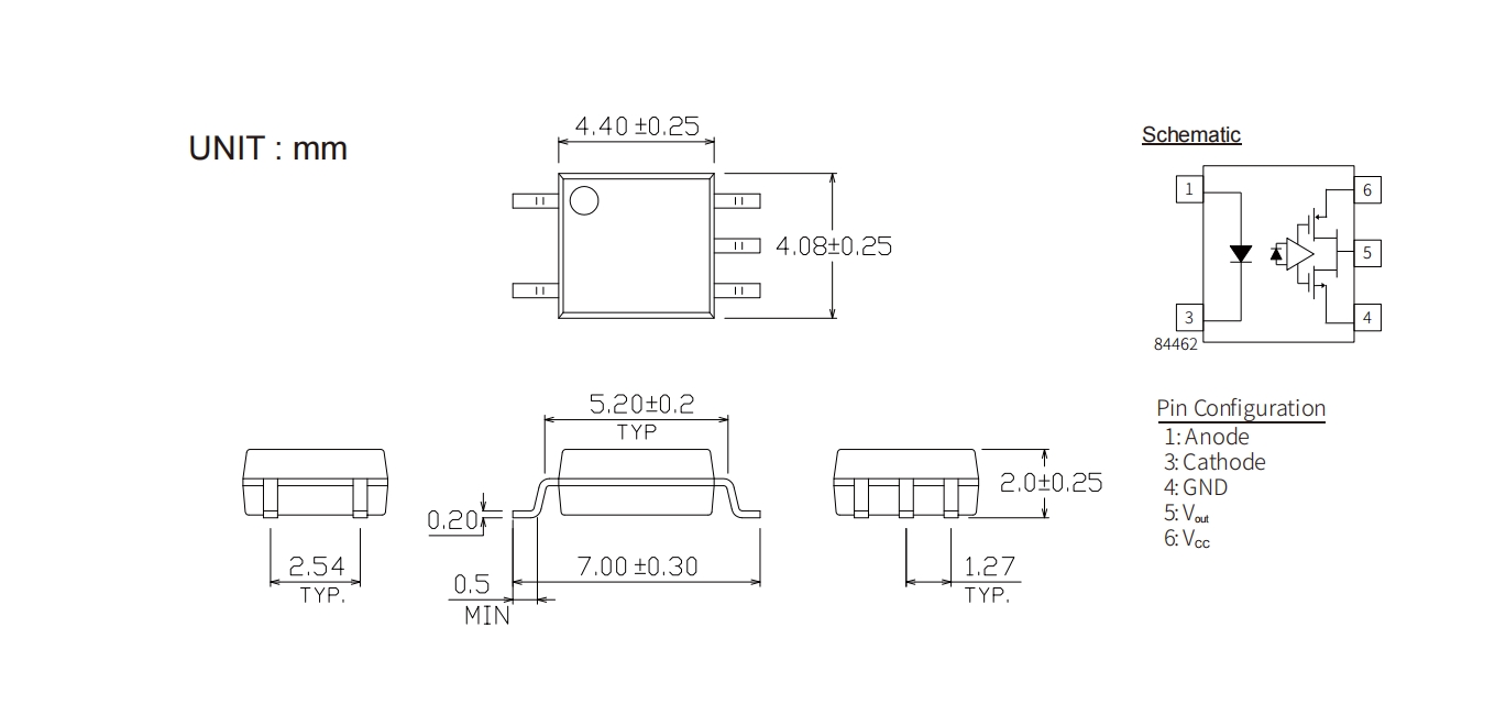
| KLM80L | SOP5 | 4.4x4.1x2.0 | 15 | 5.5 | 65 | 65 | 5 | - | 5000 | 20 | -40 | +85 | 3750 |
| Broadcom/Avago | Onsemi/Fairchild | Toshiba | Vishay | Liteon | EL | Cosmo | Sharp | QUNXIN |
| ELM80L |
